2018年3月加工中心操作工高级技师模拟试题及答案卷15
试题展示2018年3月加工中心操作工高级技师模拟试题及答案卷15加工中心操作工职业资格高级技师最新最全,免费模拟练习
2018年加工中心操作工模拟试题及答案由云习网提供
职业资格下载地址 免费练习 。
1、(主观题)简述电火花加工与超声加工的相同点和不同点。
正确答案:电火花加工与超声加工的相同点:从形式上两者相似。电火花加工是利用与型腔形状相吻合的工具电极加工型腔;超声波加工是利用与型腔形状相吻合的磨头加工型腔。|不同点:(1)电火花加工是通过电腐蚀加工零件;超声加工是通过磨头以超声频率震动,带动磨料加工零件;(2) 电火花加工的加工对象是导电的金属,硬度没有要求;超声加工的加工材料脆性越大越好,无论是金属还是非金属。
2、(单选题)一般机械工程图采用()原理画出。
A 正投影
B 中心投影
C 平行投影
D 点投影
正确答案:A
3、(单选题)设计夹具时,定位元件的公差应不大于工件的公差的()。
A 1
B 43103
C 43161
D 2
正确答案:B
4、(多选题)生产的安全管理活动包括()。
A 警示教育
B 安全教育
C 文明教育
D 环保教育
E 上、下班的交通安全教育
正确答案:ABCD
5、(多选题)正确选择工件定位基准,应尽可能选用()作为定位基准。
A 工序基准
B 装配基准
C 设计基准
D 测量基准
正确答案:AC
6、(单选题)传感器包括以下三个功能部件:敏感元件、传感元件、()元件。
A 辅助
B 控制
C 执行
D 测量
正确答案:D
7、(单选题)数控机床的数控装置包括()。
A 光电读带机和输入程序载体
B 步进电机和伺服系统
C 输入、信息处理和输出单元
D 位移、速度传感器和反馈系统
正确答案:D
8、(单选题)经纬仪上显示窗读数为232,符号n在2上;下显示窗上面所示数字为7,指示标记落在第11格上,则经纬仪所示的角度为()。
A 223°9ˊ11ˊ
B 223°27ˊ11ˊ
C 223°7ˊ11ˊ
D 223°5ˊ11ˊ
正确答案:B
9、(判断题)数控机床选择滚珠丝杆副,主要原因是因为容易调整其间隙大小。
正确答案:错误
10、(单选题)当轴的转速较低,且只承受较大的径向载荷时,宜选用()。
A 深沟球轴承
B 推力球轴承
C 圆柱滚子轴承
D 圆锥滚子轴承
正确答案:D
11、(主观题)一台五相十拍运行的步进电机,转子齿数z=48,在A相绕组中测得电流频率为600Hz,求:|(1)电机的步距角;|(2)电机的转速。
正确答案:
12、(判断题)经济型数控机床由普通机床主体、高频电源和数控装置三大部分组成。
正确答案:错误
13、(单选题)受控变量是机械运动的一种反馈控制系统称:()。
A 顺序控制系统
B 伺服系统
C 数控机床
D 工业机器人
正确答案:B
14、(主观题)翻译题:(根据要求作答,要求字迹工整)|Some machines used for milling have a spindle which is tilted slightly in the direction of feed to ensure that the cutter does not lie flat to the workpiece. This tile (q) may be around 0.1mm per 1000 mm. The main reason for the tilt is to prevent the milling cutter from back cutting, which can ruin a good surface finish by producing surface marks, which are of different heights and opposite in direction to the normal feed. Machining centres and other multi-purpose machines often have no spindle tilt and therefore back cutting is normal and usually unavoidable. Even with the proper spindle tilt, back cutting problems can arise due to workpiece or spindle deflection. This can be combated through:|(1)Improved workpiece support|(2)Change to a positive cutter to reduce cutting forces|(3) Check cutter mounting for burs, dirt or misalignment|(4)Reduce forces by either reducing feed, depth of cut, width of cut or by increasing cutting speed.|(5)Change to a larger entering angle to reduce axial forces|(6)Reduce spindle overhang to a minimum
正确答案:用于铣削加工的机床有一个与进给方向稍微倾斜的轴,它确保了刀刃与工件不平行。这个倾斜长度q可能大概是0.1mm/1000mm。倾斜的主要原因是防止铣刀从后面切削,产生与正常进给时不同高度和相反方向的表面痕迹,直接破坏好的表面质量。机械加工中心和其它的多功能机床通常不存在主轴倾斜,因此,顶部切槽是正常的,通常也是不可避免的。甚至于存在适当的主轴倾斜时,由于工件或主轴偏斜,顶部切槽问题也可能发生。可以通过以下方法来改变这种情况:|(1)改进工件支撑|(2)换成负角刀具较小切削力|(3)检查刀具安装的间隙,偏差|(4)通过减小进给,切削深度,切削宽度或者增加切削速度来降低力|(5)换成较大的主偏角较少轴向力|(6)减小悬臂梁到最小值
15、(判断题)()Internet上每台主机都有一个唯一、数字形式的一组地址(或者叫名字)。
正确答案:正确
16、(判断题)市场经济条件下,自由选择职业有利于取得较大经济效益,不利于职工安心工作。
正确答案:错误
17、(单选题)毛坯制造时,如果(),应尽量利用精密铸造、精锻、冷挤压等新工艺,使切削余量大大减少,从而可缩短加工的机动时间。
A 属于维修件
B 批量较大
C 在研制阶段
D 要加工样品
正确答案:B
18、(单选题)线切割机床型号为DK7725中25为基本参数代号,表示工作台横向行程为()。
A 25mm
B 250mm
C 77cm
D 770mm
正确答案:B
19、(判断题)HCNC-21M系统,G74反攻丝循环指令攻丝时,速度倍率调整开关同样有效。
正确答案:错误
20、(多选题)由于()和()不重合而产生的加工误差,称为基准不重合误差。
A 加工基准
B 工序基准
C 定位基准
D 设计基准
E 工艺基准
正确答案:CD
21、(单选题)滚动导轨的摩擦系数是()。
A
B
C
D
正确答案:C
22、(单选题)数控机床在轮廓拐角处产生“欠程”现象,应采用()方法控制。
A 提高进给速度
B 修改坐标点
C 减速或暂停
D 提高切削速度
正确答案:B
23、(单选题)机电一体化系统具有(),具有适应面广的多种复合功能。
A 弹性
B 刚性
C 韧性
D 柔性
正确答案:D
24、(多选题)属于工艺基准的是()。
A 定位基准
B 装配基准
C 测量基准
D 设计基准
E 加工基准
正确答案:ABC
25、(多选题)数控机床按控制系统功能特点分类分为:()。
A 开环控制
B 点位控制
C 点位直线控制
D 轮廓控制
E 闭环控制
正确答案:BCD
26、(单选题)在下列选项中,符合平等尊重要求的是()
A 根据员工工龄分配工作
B 根据服务对象的性别给予不同的服务
C 师徒之间要平等尊重
D 取消员工之间的一切差别
正确答案:C
27、(多选题)在企业的经营活动中,下列选项中的()是职业道德功能的表现。
A 激励作用
B 决策能力
C 规范行为
D 遵纪守法
E 技革技改
正确答案:ACD
28、(单选题)G04在数控系统中代表()。
A 切削螺纹
B 暂停
C 快速移动外
D 外圆循环
正确答案:B
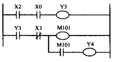
29、(主观题)根据以下PLC梯形图,编写相应的PLC程序。
正确答案:0 LD X2|1 AND X0|2 OUT Y3|3 LD Y3|4 ANI X3|5 OUT M101|6 AND M101|7 OUT Y4
30、(单选题)作单向运转的转轴,其弯曲应力的变化特征是()。
A 对称循环
B 脉动循环
C 恒定不变
D 非对称循环
正确答案:A