2018年3月数控铣工高级模拟试题及答案卷4
试题展示2018年3月数控铣工高级模拟试题及答案卷4数控铣工职业资格高级最新最全,免费模拟练习
2018年数控铣工模拟试题及答案由云习网提供
职业资格下载地址 免费练习 。
1、(单选题)异步电动机对称三相绕组在空间位置上应彼此相差()。
A 60°电角度
B 120°电角度
C 180°电角度
D 360°电角度
E
正确答案:B
2、(多选题)宏指令具有下列功能中的()(FANUC系统、华中系统)。
A 变量赋值
B 算术运算
C 逻辑运算
D 条件转移
E 循环语句
正确答案:ABCDE
3、(判断题)深孔钻削过程中,钻头加工一定深度后退出工件,借此排出切屑。并进行冷却润滑,然后重新向前加工,可以保证孔的加工质量(华中系统)。()
正确答案:正确
4、(判断题)气动系统漏气会增加能量消耗,但不会造成供气压力的下降。()
正确答案:错误
5、(判断题)含TiC较多的硬质合金不宜用于加工高温合金。
正确答案:正确
6、(单选题)用两顶尖装夹工件时,可限制()。
A 三个移动三个转动
B 三个移动两个转动
C 两个移动三个转动
D 两个移动两个转动
E
正确答案:B
7、(单选题)封闭环是在()阶段自然形成的一环。
A 装配或加工过程的最后
B 装配中间
C 装配最开始
D 加工最开始
E
正确答案:A
8、(判断题)数控立铣粗加工三维曲面,使用圆角立铣刀比平底立铣刀效率更高。
正确答案:正确
9、(多选题)强制性标准是由法律规定必须遵照执行的标准,它包括()。
A 保障人体健康和人身、财产安全的要求
B 产品及产品生产技术要求
C 污染物排放限值和环境质量要求
D 防止欺骗,保护消费者利益的要求
E
正确答案:ABCD
10、(多选题)三维曲面铣削加工的特点是()。
A 一般都是使用球刀铣刀
B 无法使用数控系统的刀具补偿指令
C 切削时走刀方法与加工形状密切峡谷相关
D 切削参数的选用原则与二维铣削差异很大
E 一般都是用直线插补
正确答案:ACD
11、(单选题)键槽宽度超差的主要原因有()。
A 工件安装轴线与进给方向不平行
B 轴类工件圆度误差过大
C 主轴转速过低
D 铣刀磨损
正确答案:D
12、(多选题)继电器的输入量可以是()。
A 电压
B 机械压力
C 温度
D 速度
E 电流
正确答案:ACDE
13、(单选题)要防止液压油液的可压缩性增大,在液压系统内要防止()。
A 工作温度升高
B 其他油液混入
C 空气混入
D 泄漏
正确答案:C
14、(单选题)机床油压系统过高或过低可能是因为()造成的。
A 油压不足
B 压力设定不当
C 油粘度过高
D 油中混有空气
E
正确答案:B
15、(多选题)下列R参数中,()可以自由使用(SIEMENS系统)。
A R1
B R30
C R80
D R100
E R240
正确答案:ABC
16、(多选题)零件机械加工精度主要包括()。
A 尺寸精度
B 切削精度
C 相互位置精度
D 定位精度
E 几何形状精度
正确答案:ACE
17、(单选题)ISO14000系统标准是有关()的系列标准。
A 质量体系
B 环境体系
C 环境管理
D 质量环境保证
E
正确答案:D
18、(单选题)以下()指令是正确的。
A G42G0X_Y_D_
B G41M03
C G40G02Y_D_
D G42G03X_Y_D_
E
正确答案:A
19、(判断题)在圆柱形工件上铣削螺旋槽时,铣床主轴旋转方向与螺旋槽的旋向有关。()
正确答案:正确
20、(判断题)平面铣削时,正反进给方向各铣一段,如发现一个方向进给时有拖刀现象,而另一方向进给时无拖刀现象,则说明铣床主轴轴线与机床台面垂直。()
正确答案:正确
21、(多选题)关于G81指令,下面说法正确的是()。(FANUC系统)
A G81是深孔钻孔循环指令
B 使用G81指令可以简化编程
C G81指令执行间隙切削进给到孔的底部
D 在G81状态下执行G81指令后刀具返回到初始平面
E 用G81指令钻孔切削到孔底后,刀具快速返回
正确答案:DE
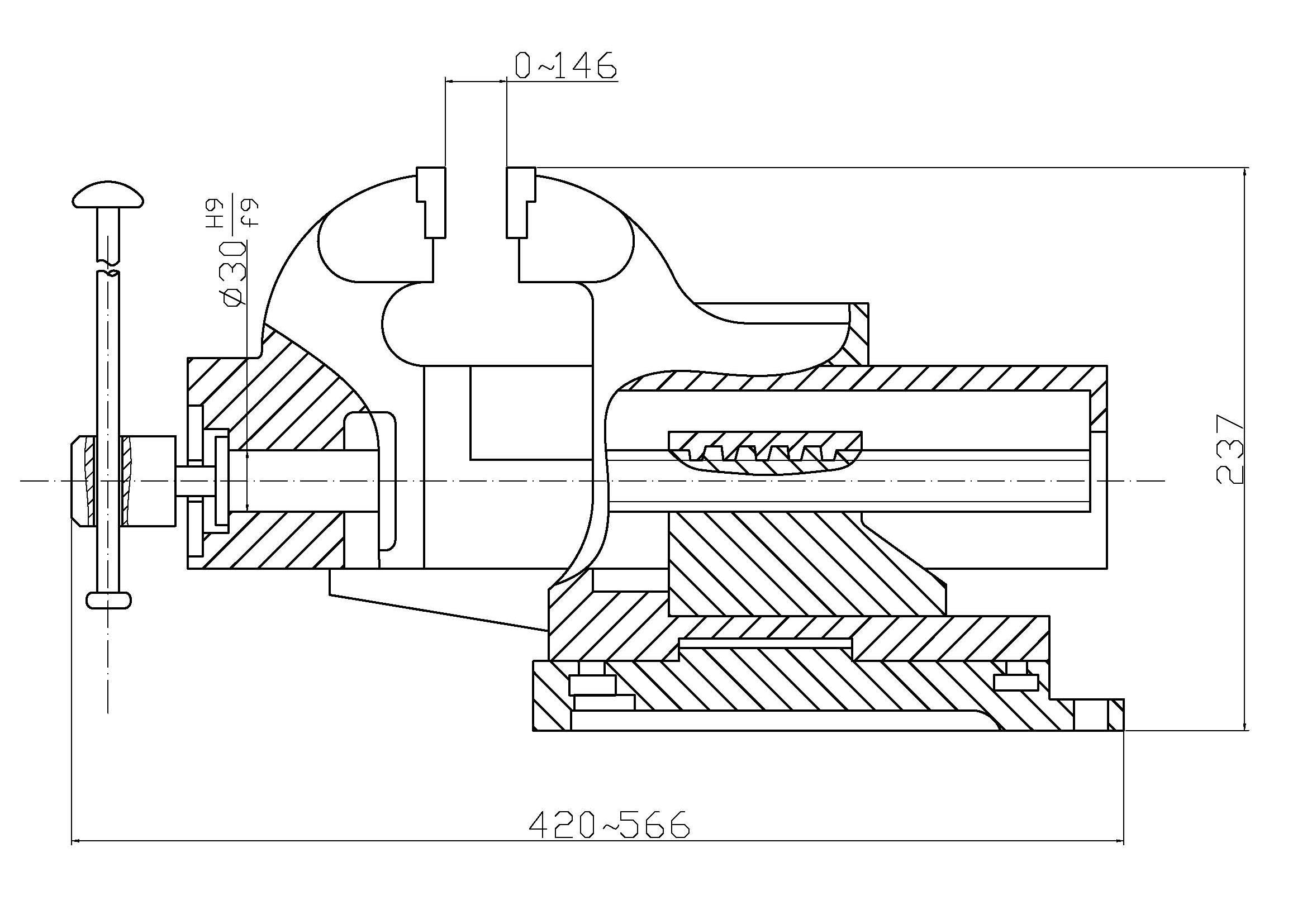
22、(单选题)图示装配图中的尺寸Φ30H9/F9属于()。

|
A 装配尺寸
B 安装尺寸
C 性能(规格尺寸)
D 总体尺寸
E
正确答案:A
23、(判断题)轴杆类零件的毛坯一般采用铸造。()
正确答案:正确
24、(单选题)工件安装轴线与进给方向不平行或键槽中心未正确找正会造成键槽()超差。
A 平面度
B 两侧面平行度
C 对称度
D 宽度
正确答案:C
25、(单选题)长方体工件若利用立式铣床铣削T槽,下列()加工方法较佳。
A 用端铣刀先铣直槽,再用T槽铣刀铣槽
B 用T槽铣刀直接铣削
C 先钻孔再加工直槽再用T槽铣刀
D 用半圆键铣刀铣削直槽
E
正确答案:A
26、(单选题)下面以RET作为程序结束的程序是()。(SIEMENS系统)
A 主程序
B 子程序
C 增量程序
D 宏程序
E
正确答案:B
27、(单选题)已知圆心坐标(),半径为30mm的圆方程是(z-80)2+(y-14)2=302。
A 30,14
B 14,80
C 30,80
D 80,14
E
正确答案:D
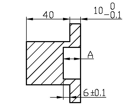
28、(多选题)如图所示零件,加工深度为A的凹坑,求工序尺寸A。在尺寸连计算中()。

|
A A是封闭环
B 尺寸40是增环
C A的尺寸是16mm
D A的上偏差0
E 下偏差-0.1
正确答案:CDE
29、(判断题)子程序的编写方式必须是增量方式(SIEMENS系统)()
正确答案:错误
30、(判断题)N1IFR2〉10GOTOBMARKE3;中“〉”表示大于(SIEMENS系统)。()
正确答案:正确